- Memahami mengenai rangkaian memori dan
decoder-nya serta prinsip kerjanya
- Dapat membuat rangkaian memori dan decoder-nya
- IC 74LS139
IC
memori 6116 merupakan salah satu RAM statik berkapasitas 16.384 bit
atau 2 kbyte. IC 6116 mempunyai 8 jalur data (D0-D7) dan 11 jalur alamat
(A0-A10). Untuk menulis data digunakan sinyal W (aktif LOW) dan untuk
membaca data digunakan sinyal G (aktif LOW). Kaki E (aktif LOW)
digunakan untuk mengijinkan memori menulis atau membaca data pada jalur
data. Kaki 12 dihubungkan ke GND dan kaki 24 dihubungkan ke +5V.
RAM
6116 yang dipakai didalam sistem minimum mempunyai pin CS (Chip Select)
untuk mengaktifkan IC tersebut, pin OE (Output Enable) sebagai pin
sinyal kontrol RD untuk membaca data dan pin WE (Write Enable) sebagai
pin sinyal kontrol WR untuk menulis data seperti gambar 2. Selain itu,
terdapat pin-pin untuk addresing A0-A10, pin data D0-D7 untuk masukan
dan keluaran data 8 bit. Sisa bus address mulai A11-A19 dipergunakan
untuk rangkaian decoding bagi RAM yang bersangkutan.
Kombinasi dari ketiga pin-pin tersebut dapat dilihat fungsinya seperti pada tabel 1.
Tabel 1 Fungsi pin-pin CS, OE dan WE pada RAM 6116
-CS | -OE | -WE | Mode | Pin–pin I-O |
1 | X | X | Non aktif | High Z |
0 | 0 | 1 | Read | Out |
0 | 1 | 0 | Write | In |
Dari
tabel fungsi diatas dapat dilihat bahwa pin CS memegang peranan utama
dalam kerja RAM statis 6116. Bila pin Chip Select aktif low maka operasi
read dan write dapat dilaksanakan. Untuk mengaktifkan pin CS dapat
diberikan input low dari output decoding I-O.
Urutan
langkah-langkah yang dilaksanakan mikroprosessor dalam melaksanakan
instruksi read atau write pada RAM adalah sebagai berikut:
a. Address dari memori yang akan dituju diload oleh mikroprosesor ke bus address setelah terdapat sinyal ALE.
b. Chip
Select yang dari RAM yang dituju akan aktif low sehingga RAM
me-input-kan address dari bus address misalnya A0-A10 seperti pada RAM
6116.
c. Kemudian mikroprosessor mengirim sinyal kontrol RD atau WR pada RAM.
d. RAM melakukan pernbacaan atau penulisan sesuai dengan kombinasi sinyal control yang diterima seperti tabel 1 diatas.
3. IC 6264
IC
memori 6264 adalah sebuah RAM statik berkapasitas 256 bit atau 32
kbyte. IC ini memiliki 16 jalur data (D0-D15) dan 16 jalur alamat
(A0-A15). Selain itu, terdapat pin-pin untuk addresing A0-A15, pin data
D0-D15 untuk masukan dan keluaran data 16 bit. Sisa bus address mulai
A16-A19 dipergunakan untuk rangkaian decoding bagi RAM yang
bersangkutan. IC RAM 6264 juga memiliki pin-pin CS (Chip Select) untuk
mengaktifkan IC, pin OE (Output Enable) sebagai pin sinyal kontrol RD
untuk membaca data, dan pin WE (Write Enable) untuk menulis data.
4. IC 27128
5. DIP Switch
6. Logic State
Logic
state pada proteus berguna untuk memberikan logika 1 atau 0 pada sebuah
jalur, jika pada logic statenya bertanda 1 maka ada arus yang mengalir
melewati jalur pada logic state tersebut sedangkan jika angka 0 tidak
ada arus yang mengalirinya.
Pemetaan I-O
Dirancang sistem minimum
yang menggunakan 4 komponen I-O yaitu PPI-0 8255 dan
PPI-1 8255, PIT 8253 serta
PIC 8259. Untuk PPI 8255 masing-masing membutuhkan 4
kombinasi address (A1 A0
yaitu 0 s/d 3 Byte), PIT 8253 membutuhkan 4 kombinasi
address yaitu A1A0 serta
PIC 8259 membutuhkan 2 kombinasi address
yaitu A0. Adapun
perancangan peta I-O ini adalah seperti gambar 2
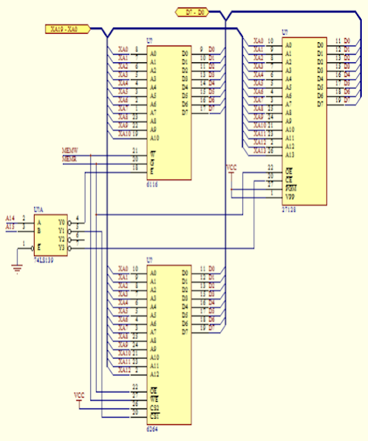
Gambar 1
Rangkaian memori dan decoder-nya

Gambar 2
Peta I-O
Untuk dapat mengakses
address dari PPI-0 8255 (4 B) menggunakan pin A0 dan A1
dan PPI-1 8255 (4 B)
menggunakan pin A0 s/d A1, PPT 8253 (4 B) menggunakan pin
A0 s/d A1, sedangkan untuk
PIC 8259 (2 B) menggunakan pin A0. Dalam membedakan
alamat dari keempat
komponen I-O tersebut seperti peta I-O diatas maka digunakan
address A2 s/d A19. PPI-0
dengan PPI-1 dibedakan dari A4, jika A4 berlogika 0 maka
merupakan akses address
PPI-0 dan jika A4 berlogika 1 maka merupakan akses
address PPI-1. PIT dapat
dibedakan dari komponen I-O yang lain dari pin address A5,
jika A5 berlogika 1 dan
yang lain (A2 s/d A19) berlogika 0 maka address ini merupakan
address PIT. Untuk PIC yang
membedakan address-nya dengan komponen lain adalah
pin address A6. Rangkaian
decoder dapat dirancang untuk membedakan PPI-0, PPI-1,
PIT dan PIC menggunakan A4,
A5 dan A6 seperti rangkaian pada gambar 3.
Gambar 3
Rangkaian I-O dan decoder-nya

Prinsip Kerja :
Mikroprosesor
yang akan berhubungan dengan RAM atau ROM dipisahkan oleh rangkaian
decoder IC 74LS138. Jika mikroprosesor berhubungan dengan RAM maka
mikroprosesor akan mengeluarkan address RAM yang masuk ke IC decoder
74LS138 dan decoder akan meng-output-kan Y0 aktif (sesuai rancangan,
address A17, A18, A19 di-input-kan ke A, B, C dari IC decoder) rendah
ke –CS RAM 6116 seperti terlihat pada gambar 15. Dan sebaliknya jika
mikroprosesor berhubungan dengan ROM maka mikroprosesor akan
mengeluarkan address ROM yang masuk ke IC decoder 74LS138 dan decoder
akan meng-output-kan Y7 aktif (sesuai rancangan, address A17, A18, A19
di-input-kan ke A, B, C dari IC decoder) rendah ke –CS ROM 27128
Perancangan decoder untuk memori akan dibahas pada bab aplikasi.
Untuk dapat mengakses address dari PPI-0 8255 (4 B) menggunakan pin A0 dan A1
dan PPI-1 8255 (4 B) menggunakan pin A0 s/d A1, PPT 8253 (4 B) menggunakan pin
A0 s/d A1, sedangkan untuk PIC 8259 (2 B) menggunakan pin A0. Dalam membedakan
alamat dari keempat komponen I-O tersebut seperti peta I-O diatas maka digunakan
address A2 s/d A19. PPI-0 dengan PPI-1 dibedakan dari A4, jika A4 berlogika 0 maka
merupakan akses address PPI-0 dan jika A4 berlogika 1 maka merupakan akses
address PPI-1. PIT dapat dibedakan dari komponen I-O yang lain dari pin address A5,
jika A5 berlogika 1 dan yang lain (A2 s/d A19) berlogika 0 maka address ini merupakan
address PIT. Untuk PIC yang membedakan address-nya dengan komponen lain adalah
pin address A6. Rangkaian decoder dapat dirancang untuk membedakan PPI-0, PPI-1,
PIT dan PIC menggunakan A4, A5 dan A6 seperti rangkaian pada gambar 3.
Download Datasheet IC 27128 (download)
Download Datasheet IC 6264 (download)
Download Datasheet RAM 6116 (download)
Download Datasheet IC 74LS139 (download)
Download File html (download)
Download Video Simulasi (download)
Download Rangkaian Simulasi (download)
[menuju awal]
Tidak ada komentar:
Posting Komentar